簡介UF單機除塵器(Unl-Filter)係(xì)引進國外技術,UF單機(jī)除塵器具有八十年代技術水平的(de)小型袋收塵器。這種小型袋式收塵器(qì)經濟(jì)實用;結構(gòu)簡單緊湊(còu),安裝容易,維修方便(內濾式)主要用於庫(kù)頂、庫底、倉(cāng)頂及各種輸送機等(děng)排放和(hé)揚塵點收塵,該機采用(yòng)滌(dí)綸布袋,入口(kǒu)溫度(dù)<120℃除塵效(xiào)果達99.8%。如有(yǒu)特殊用途可提供耐(nài)溫,_濾料的單機袋收塵器。
UF-STD、FM、FB型係列單機袋(dài)收塵器
型號(hào)說明
UF(STD)/(FM)/(FB)-m-n
U:單機(Unit)
F:收塵器(FUtey)
(STD)/(FM)/(FB):安(ān)裝型號
m:規格號
n:多(duō)機組合時的單(dān)元(yuán)數
UF單機除塵器技術性能
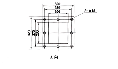
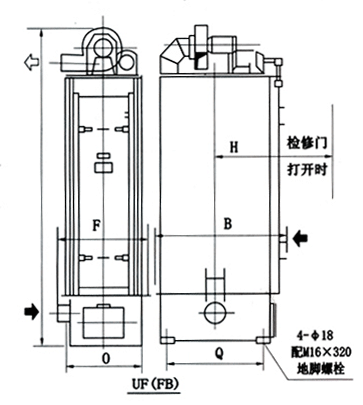
UF單機除塵器主(zhǔ)要尺寸:
‘

’